X
Log in
SERVICE
24H
Home
Products
Company
24H SERVICE
Contact info
Back
Products
Hydraulic components
Pumps and power units
Mechanical transmission
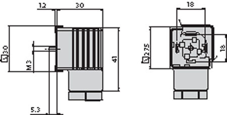
HC30 - DIN 43650-A connector with LED
Back
HC30 - DIN 43650-A connector with LED
Print brochure
In product groups:
Solenoids
,
Connectors and cables
,
Solenoid valves
,
Valve accessories
×
Previous
Next
Tiedot tiivistettynä
S28200NC410RXX.pdf
Koodi
Kaapelin läpivienti
Jännite
Elektroniikka
Pakkauskoko (kpl)
HC30RL230
PG9 ja PG11
230 VAC
LED + tasasuuntaaja
1
HC30VL24
PG9 ja PG11
24 VDC
LED + varistori
1
HC30VL230
PG9 ja PG11
230 VAC
LED + varistori
1
Anna määrä
kpl
Voit lisätä enintään
kpl
Määrä virheellinen
Lisää koriin
HC30 - DIN 43650-A connector with LED
Print brochure
Back