X
Log in
SERVICE
24H
Home
Products
Company
24H SERVICE
Contact info
Back
Products
Hydraulic components
Valves
Auxiliary valves
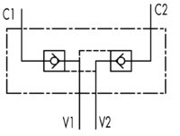
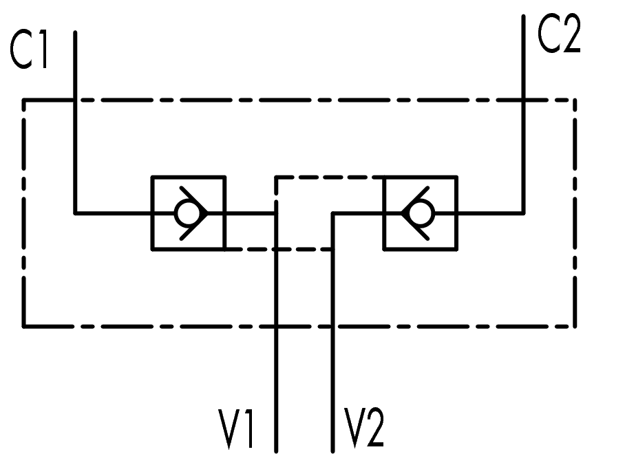
Douple pilot operated check valve - VBPDE A
Back
Auxiliary valves
Douple pilot operated check valve - VBPDE A
Print brochure
In product groups:
×
Previous
Next
Tiedot tiivistettynä
FPDS.pdf
FPDS-2015.pdf
Koodi
Sisäkierre (BSP)
Max työpaine (bar)
Max virtaus (l/min)
Pakkauskoko (kpl)
FPDS-06
3/8"
350
30
1
FPDS-08
1/2"
350
55
1
Anna määrä
kpl
Voit lisätä enintään
kpl
Määrä virheellinen
Lisää koriin
Douple pilot operated check valve - VBPDE A
Print brochure
Back