Back
Auxiliary valves

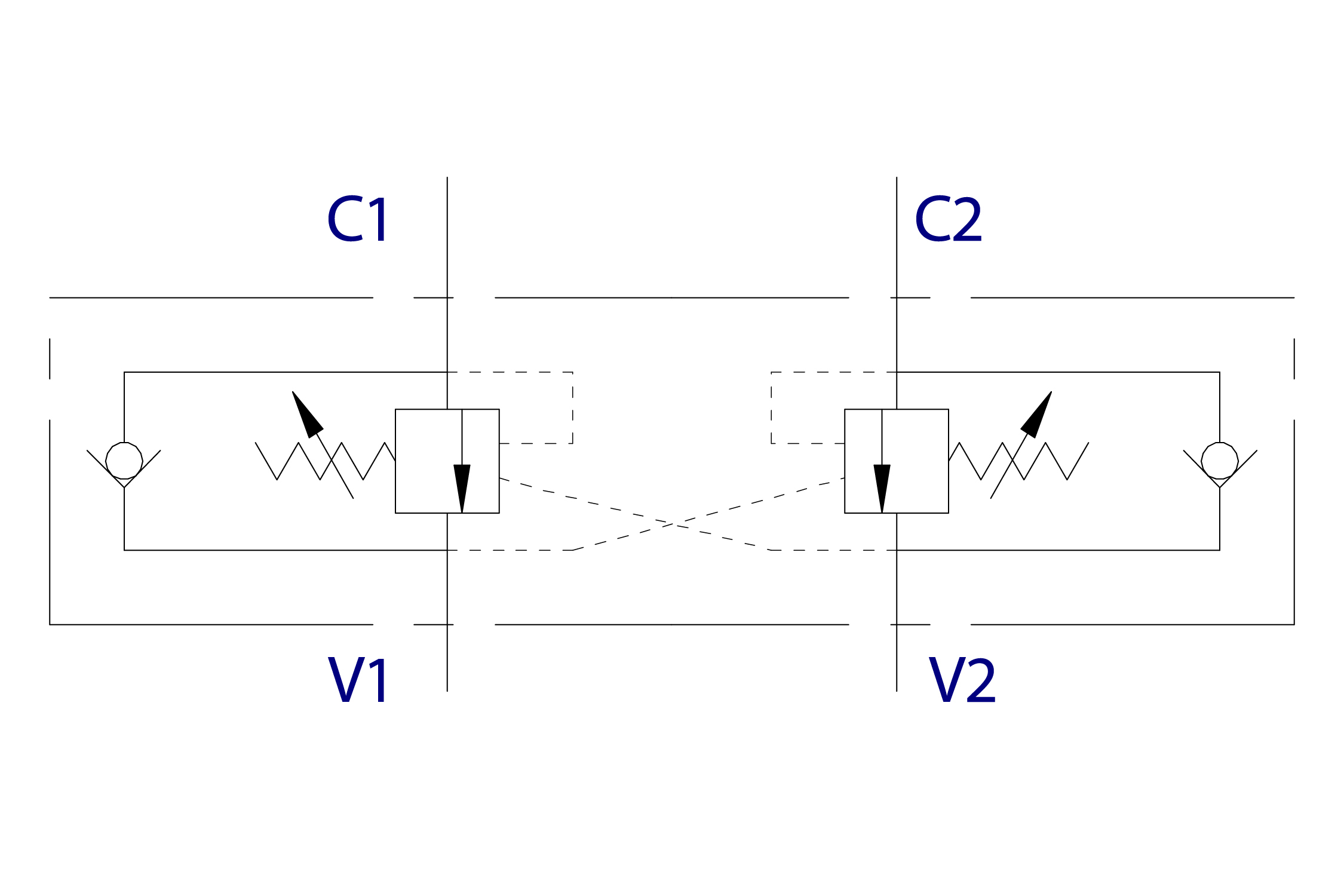
Douple overcentre valve

Print brochure
In product groups:

Tiedot tiivistettynä

Kuormanlaskuventtiiliä (vastapaineventtiili) voidaan käyttää esim. puomin paikalla pitämiseen ja pehmeään alaslaskuun tai vinssimoottoreiden pehmeäänohjaukseen.

Koodi Sisäkierre (BSP) Ohjaussuhde Max työpaine (bar) Max virtaus (l/min) Valmistajan malli Valmistajan koodi Pakkauskoko (kpl)
KLV-06   3/8" 1:3,1 350 35 VBCD ⅜” DE V0420 1
KLV-08   1/2" 1:3,1 350 50 VBCD ½” DE V0430 1
KLV-12   3/4" 1:5,5 350 105 VBCD ¾” DE V0431 1

Douple overcentre valve

Print brochure

Back