X
Log in
SERVICE
24H
Home
Products
Company
24H SERVICE
Contact info
Back
Products
Hydraulic components
Valves
Auxiliary valves
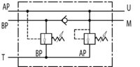
Two pump "hi-low" unloading valve - VABP
Back
Auxiliary valves
Two pump "hi-low" unloading valve - VABP
Print brochure
In product groups:
×
Previous
Next
Tiedot tiivistettynä
VABP.pdf
Koodi
Sisäkierteet (BSP)
Max työpaine (bar)
Max virtaus AP (l/min)
Max virtaus BP (l/min)
Max virtaus T (l/min)
Pakkauskoko (kpl)
VABP-06
3/8"
350
15
30
40
1
VABP-08
1/2"
350
25
45
65
1
VABP-12
3/4"
350
30
80
100
1
Anna määrä
kpl
Voit lisätä enintään
kpl
Määrä virheellinen
Lisää koriin
Two pump "hi-low" unloading valve - VABP
Print brochure
Back