Back
Suction fittings and flanges

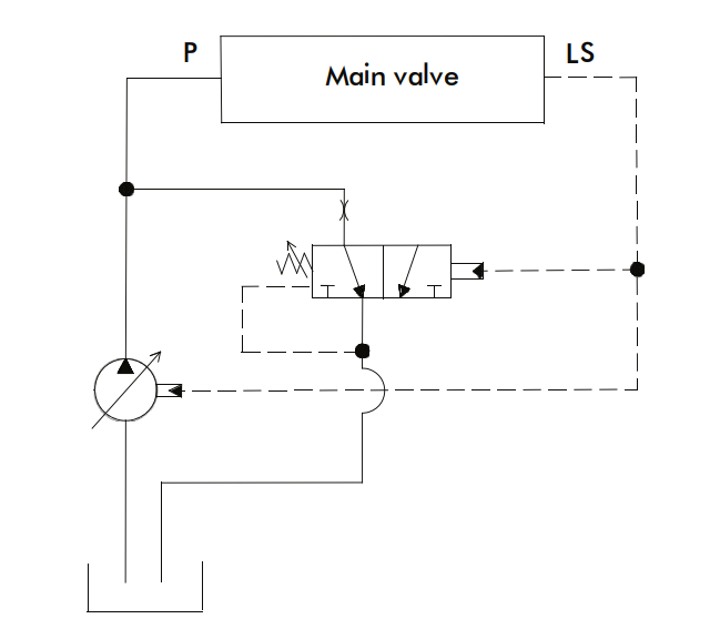
LS-pumps flushing valve

Print brochure
In product groups:

Tiedot tiivistettynä

Flushing valve for load sensing circuit
 
​The valve guarantie small flow through the pump to coaling or tank, in order to protects the pump from overheated on the application with long time in stand-by condition. When a load sensing valve function is engaged the flushing valve is disengeged automatically with hydraulic pilot or with electrical pilot by the logic control of customer.

OMFB ​B5001072001BC
Koodi Sisäkierre (") Max. paine (bar) Pilottipaine Bar Virtaus (l/min) Pakkauskoko (kpl)
PPV-HV   ¼” 420 2-25 30 1

LS-pumps flushing valve

Print brochure

Back