X
Log in
SERVICE
24H
Home
Products
Company
24H SERVICE
Contact info
Back
Products
Hydraulic components
Valves
Cartridge valves
Pressure reducing cartridge valves
Paineenalennusventtiili
Back
Pressure reducing cartridge valves
Paineenalennusventtiili
Print brochure
In product groups:
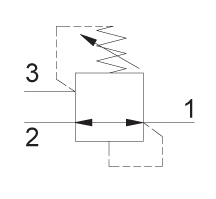
Pressure reducing cartridge valves
×
Previous
Next
Tiedot tiivistettynä
CT-123.pdf
C330000.pdf
Koodi
Säätöalue (bar)
Koko (SAE)
Patruunan poraus
Pakkauskoko (kpl)
CT-123-0
5-30
10
C330000
1
CT-123-1
15-55
10
C330000
1
CT-123-2
20-103
10
C330000
1
CT-123-3
30-165
10
C330000
1
Anna määrä
kpl
Voit lisätä enintään
kpl
Määrä virheellinen
Lisää koriin
Related products
3/2 SAE-10 venttiilirunko
Paineenalennusventtiili
Print brochure
Back