Takaisin
Apuventtiilit

KLV-A - Kuormanlaskuventtiili malli A

Tulosta esite
Tuoteryhmissä:

Tiedot tiivistettynä

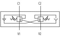
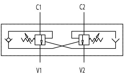
Kaksipuoleinen kuormanlaskuventtiili on vastapaineventtiili, jota voidaan käyttää esim. puomin paikalla pitämiseen ja pehmeään alaslaskuun. Toinen työkanava ei aukea ennen kuin toisen kanavan ohjauspaine nousee yli asetetun minimiarvon.

  • paineenrajoituspatruunan säädetyn paineen tulee olla min. 1.3 kertainen suurimpaan kuormanpaineeseen nähden. Esim. 320bar asetuksella kuorman paine korkeintaan 245bar
  • paineenrajoituspatruunan vakioasetus 320bar (max. 350bar)
  • Oleodinamica Marchesini VBCD DE A
Koodi Sisäkierre (BSP) Ohjaussuhde Max työpaine (bar) Max virtaus (l/min) Valmistajan malli Valmistajan koodi Pakkauskoko (kpl)
KLV-04A   1/4" 1:4,5 350 20 VBCD 1/4” DE/A V0418 1
KLV-06A   3/8" 1:4,5 350 40 VBCD 3/8“ DE/A V0422 1
KLV-08A   1/2" 1:4,5 350 60 VBCD 1/2” DE/A V0432 1
KLV-12A   3/4" 1:5,5 350 95 VBCD 3/4” DE/A V0435 1
KLV-16A   1" 1:6,2 350 160 VBCD 1” DE/A V0436 1

KLV-A - Kuormanlaskuventtiili malli A

Tulosta esite

Takaisin