Takaisin
Apuventtiilit

KLVMS - Kuormanlaskuventtiili EPMS-moottorille

Tulosta esite
Tuoteryhmissä:

Tiedot tiivistettynä

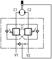
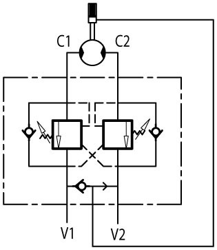
Kaksoiskuormanlaskuventtiili EPMS -moottorille. Sisäänrakennettu vaihtovastaventtiili jarrun avaamista varten

Koodi Avautumissuhde Max. työpaine (bar) Sisäkierre (BSP) Max. virtaus (l/min) Pakkauskoko (kpl)
KLVMS-08   1 : 4,5 350 1/2” 60 1

KLVMS - Kuormanlaskuventtiili EPMS-moottorille

Tulosta esite

Takaisin