Takaisin
Orbitroliohjaimet

HKUS - orbitroli ympäripumppaaviin järjestelmiin, shokkiventtiileillä

Tulosta esite

Tiedot tiivistettynä

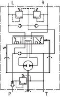
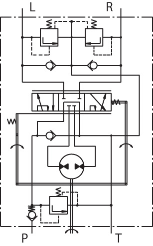
M+S HKUS ohjainlaite ympäripumppaaviin hydraulisiin ohjausjärjestelmiin. HKUS-malli varustettu työlinjojen shokkiventtiileillä ja P-linjan paineenrajoitusventtiilillä.
Danfoss OSPC...ON vaihtokelpoisia (HKUS.../4)

  • portit G1/2"
  • varustettu shokkiventtiileillä
  • shokkiventtiileiden lisäksi erillinen paineenrajoitusventtiili
  • saatavana kuormaan reagoiva versio, sekä kuormaan reagoimaton versio
  • käytettäessä kuormaan reagoimatonta versiota, maaston muodot eivät vaikuta renkaiden kulmaan kun rattiin ei kosketa
  • käytettäessa kuormaan reagoivaa versiota, maaston muodot vaikuttavat renkaiden kulmaan
  • ratin suurin vääntömomentti 3Nm kun P linjassa on pumpun tuottama virtaus
  • ratin suurin vääntömomentti ilman erillistä öljypumppua 120Nm
  • suurin jatkuva paine T-linjassa 25bar
Koodi Reagointi kuormaan Kierrostilavuus (cm3/r) Suositeltu virtaus (l/min) Käyttöpaine (bar) P.rajoitusventtiilin paineasetus (bar) Pakkauskoko (kpl)
HKUS-050/4-100   ei 49,5 5 140 100 1
HKUS-050/4-150   ei 49,5 5 140 150 1
HKUS-080/3-150   kyllä 79,2 8 170 150 1
HKUS-080/4-150   ei 79,2 8 170 150 1
HKUS-080/4-170   ei 79,2 8 170 170 1
HKUS-100/3-150   kyllä 99,0 10 170 150 1
HKUS-100/4-150   ei 99,0 10 170 150 1
HKUS-100/4-170   ei 99,0 10 170 170 1
HKUS-125/3-150   kyllä 123,8 13 170 150 1
HKUS-125/4-150   ei 123,8 13 170 150 1
HKUS-160/3-140   kyllä 158,4 16 170 140 1
HKUS-160/4-080   ei 158,4 16 170 80 1
HKUS-160/4-150   ei 158,4 16 170 150 1
HKUS-200/3-175   kyllä 198 20 170 175 1
HKUS-200/4-150   ei 198 20 170 150 1
HKUS-250/4-150   ei 247,5 25 170 150 1
HKUS-250/4-170   ei 247,5 25 170 170 1
HKUS-320/4-100   ei 316,8 32 170 100 1
HKUS-320/4-150   ei 316,8 32 170 150 1
HKUS-320/4-170   ei 316,8 32 170 170 1
HKUS-400/4-150   ei 396,p 40 170 150 1
HKUS-400/4-170   ei 396,0 40 170 170 1
HKUS-630/4-150   ei 623,6 63 170 150 1
HKUS-630/4-175   ei 623,6 63 170 175 1

HKUS - orbitroli ympäripumppaaviin järjestelmiin, shokkiventtiileillä

Tulosta esite

Takaisin