Takaisin
Pumput ja koneikot

HKU - orbitroli LS-järjestelmiin

Tulosta esite

Tiedot tiivistettynä

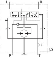
M+S HKU ohjainlaite suljetulla keskiasennolla kuormantunteviin LS-järjestelmiin. HKU-malli ilman shokkiventtiileitä.
Danfoss OSPB...LS vaihtokelpoisia

  • Portit G1/2"
  • LS-portti G1/4"
  • Voidaan varustaa erillisellä prioriteettiventtiilillä
  • Kuormaan reagoimaton versio. Maaston muodot eivät vaikuta renkaiden kulmaan kun rattiin ei kosketa
  • Ratin suurin vääntömomentti kun P linjassa on pumpun tuottama virtaus
  • Ratin suurin vääntömomentti ilman erillistä öljypumppua 120Nm
  • Suurin jatkuva paine T-linjassa 25bar
  • Closed Center - Non Reaction and Load Sensing Outlet
Koodi Kierrostilavuus (cm3/r) Suositeltu virtaus (l/min) Käyttöpaine (bar) Pakkauskoko (kpl)
HKU-080/5T   79,2 8 175 1
HKU-100/5T   99,0 10 175 1
HKU-125/5T   123,8 13 175 1
HKU-160/5T   158,4 16 175 1
HKU-200/5T   198 20 175 1
HKU-320/5T   316,8 32 175 1
HKU-400/5T   396 40 175 1
HKU-500/5T   495 50 175 1
HKU-630/5T   623,6 63 175 1

HKU - orbitroli LS-järjestelmiin

Tulosta esite

Takaisin