Takaisin
Takaiskuventtiilit ja lianerottimet

Hydraulinen levyjarru EPRM ja EPM moottoreille

Tulosta esite
Tuoteryhmissä:

Tiedot tiivistettynä

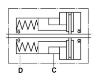
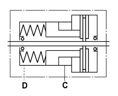
Hydraulinen levyjarru EPRM ja EPM hydraulimoottoreille. Jarrua käytetään esim. vinseissä ja kuljetinkiskoissa silloin, kun kuorma ei saa jäädä moottorin varaan.
  • vakiona 25mm sisääntulo- ja ulostuloakselilla (C-akseli)
  • jarrun vapautusportti C G1/4"
  • jarru avautuu kun avautumisporttiin johdetaan paine
  • vuotolinja D vain SH- js SB-akseleilla varustetuissa malleissa
  • Yleisesti Reggiana Riduttori DG - RF/288 vaihtokelpoinen
  • Toimitetaan ilman öljyä
Koodi Akseli sisään Akseli ulos Avauspaine min/max (bar) Max  staattinen vääntömomentti (daNm) Pakkauskoko (kpl)
ELB288-43C   C C 24-26/300 41-45 1
ELB288SH-43SH   SH SH 24-26/300 41-45 1
ELB288-CB-63-CB   CB CB 1

Hydraulinen levyjarru EPRM ja EPM moottoreille

Tulosta esite

Takaisin